top
processor
director
カード2.0
extension_card
amp
speaker
capacito.gif
others
dealer
demo_car.gif
helix.gif
match.gif
atf_pc_tool_dl_button.gif
topimage_brax.jpg
AUDIOTEC FISCHER GmbH

MADE IN GERMANY

Matrix ML PRO Series SPEAKER

MATRIX ML PROシリーズは、
前モデルMatrix MLをベースに新開発されたハイエンドスピーカーです。
世界的に有名なドイツ・DMK社との協同で開発されました。
Matrix ML-28 PRO
matrix_ml28_pro.jpg
28mm ツィーター
Matrix ML-80 PRO
ml80_pro.jpg
80mmミッドレンジ
Matrix ML-165 PRO
ml165_pro.jpg
16cmミッドバス






Matrix ML-28 PRO 28mmソフトドームツィーター    希望小売価格 231,000円(税抜価格 210,000円)
matrix_ml28_pro.jpg

28mmハイエンドツィーター Matrix ML-28 PRO
新開発の大口径28mmシルクドーム振動板を採用。
この振動板は成形後に粘弾性のあるアクロナールという特殊アクリル樹脂のコーティングを行い、
シルク繊維の強度と耐久性を向上させています。
高域再生をスムーズするため内部損失を重視した改良を施しました。
28mmツィーターとしては広帯域特性を実現し、
全帯域に渡り高解像度を実現したハイエンドツィーターならではのサウンドです。

磁気回路は28mm軽量ボイスコイルに強力N40ネオジウムマグネットを採用しています。
マグネットには8個の直径3mmに通気孔を設け、振動板の背圧をバックチャンバーへと導くとともに
磁気回路の冷却を行います。内部のバックチャンバーには定在波を抑制するフェイズプラグ、
ラムウール製の吸音材を装備しています。 振動板裏側の不要な音をスムーズに逃がし効果的に処理する事で
最低共振周波数760Hzと進化しています。

ハウジングには不要な振動を抑え、冷却効果の高い高品位な切削ステンレス製を採用し、
前面のプレート部分は優れた指向特性を実現しています。
ハウジングのフランジ部を背面からネジ式マウントリングで挟み込み固定するので確実な
インストールが可能です。また、フロントグリルは簡単に取り外しが可能です。

接続端子は24金メッキのダイレクト接続タイプを採用し太さ12ゲージのスピーカーケーブルまで対応しています。

matrix_ml28_pro_side.jpg
2種類のグリルが付属されています。


Matrix ML-28 PRO 寸法図
Matrix ML-28 PRO 周波数特性
Matrix ML-28 PRO インピーダンス特性
matrix_ml28_pro_size.gif
準備中
準備中
(画像をクリックすると拡大します)

Matrix ML-28 PRO 主な仕様
ユニット
28mm粘弾性アクロナールコーティングシルクドーム
周波数特性
1800Hz〜25KHz
能率
90dB
インピーダンス

最大入力
170W
推奨クロスオーバー周波数
3500Hz以上 カットオフスロープ 6db/oct時

2500Hz以上 カットオフスロープ 12db/oct時

1800Hz以上 カットオフスロープ 24db/oct時
最低共振周波数
760Hz
バッフル開口寸法
52mm
フレーム外径寸法
60mm
埋込寸法
25mm
接続端子
12ゲージ対応
重量
220 g / 1 pc


Matrix ML-80 PRO  80mmミッドレンジ    希望小売価格 231,000円(税抜価格 210,000円)
ml80_pro.jpg

80mmハイエンドミッドレンジ

新開発の80mmハイエンドミッドレンジです。
振動板はカーボンフリースサンドイッチコーン振動板を採用し非常に軽量かつ高強度を実現しました。
再生音は超広帯域特性を実現し全帯域に渡り高解像度を実現し、ハイエンドミッドレンジならではのサウンドです。
そのため自然なつながりの3wayシステムが完成します。

磁気回路は25mm軽量ボイスコイルに強力ネオジウムマグネットを採用しています。
マグネットには中心に通気孔を設け、振動板の背圧の抜けを改善しています。

推奨エンクロージャーはシールドで400〜1200mL(0.4〜1.2L)と小型な設定で取付性を重視しました。
フレームは不要な振動を抑えるアルミダイキャストを採用しています。接続端子は24金メッキの
ダイレクト接続タイプを採用し太さ10ゲージのスピーカーケーブルまで対応しています。


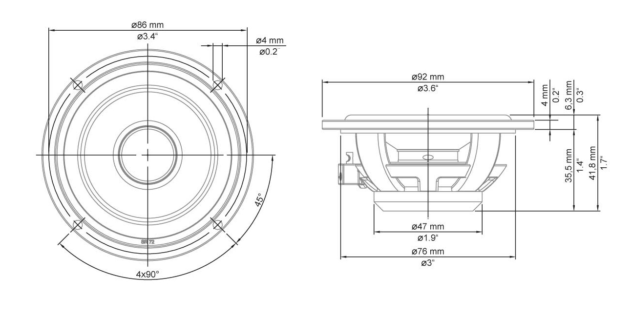
Matrix ML-80 PRO 寸法図
Matrix ML-80 PRO 周波数特性図
Matrix ML-80 PRO インピーダンス特性図
ml_80_pro_size.gif
準備中
準備中
(画像をクリックすると拡大します)

Matrix ML-80 PRO 主な仕様
ユニット
8cm カーボンフリースサンドイッチコーン
周波数特性
250Hz〜6.0KHz
能率
88dB
インピーダンス

最大入力
150W
推奨クロスオーバー周波数
350Hz以上 エンクロージャー0.4リッター、カットオフスロープ12db/oct時

300Hz以上 エンクロージャー0.8リッター、カットオフスロープ12db/oct時

250Hz以上 エンクロージャー1.2リッター、カットオフスロープ24db/oct時
最低共振周波数
114Hz
バッフル開口寸法
76mm
フレーム外径寸法
92mm
埋込寸法
35.5mm
接続端子
10ゲージ対応
重量
165 g / 1 pc

Matrix MR-3 ML-80 PRO用サポートリングキット
matrix_mr3.jpg
サポートリングの詳細はこちら

Matrix ML-165 PRO  16cmミッドバス    希望小売価格 352,000円(税抜価格 320,000円)
ml165_pro.jpg

16cmハイエンドミッドバス
新開発の160mmハイエンドミッドバス。
カーボンフリースサンドイッチコーン振動板振動板を採用し軽量かつ高強度を実現しました。
センターキャップ仕様とし低域再生を強化しました。

フレームは不要な振動を抑えたアルミダイキャストのDINサイズを採用、
167mmの外形142mmのバッフル開口、奥行き64mmは多くの欧州車に適合します。
またフレームの開口部は振動板の背圧を効果的に拡散させます。
磁気回路には直径90mmの大型強力フェライトマグネット、切削ポールピース、
37mm軽量ボイスコイルを採用。

マグネットには背圧処理用のエアホールを6個装備し、底面のメッシュグリルと
ステンレスリングで保護しています。さらにインピーダンスの上昇と磁気歪みを抑制する
OFCショートリングをポールピースに装備しています。
センターホールが磁気回路のクーリングを行います。

接続端子は24金メッキの高級ダイレクト接続タイプを採用し、
太さ10ゲージまでのスピーカーケーブルに対応しています。

ミッドバスを確実に固定できるトルクスネジ&トルクスドライバーが付属されてます。

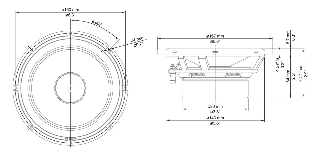
Matrix ML-165 PRO 寸法図
Matrix ML-165 PRO 周波数特性図
Matrix ML-165 PRO インピーダンス特性図
ml_165_pro_size.gif
準備中
準備中
(画像をクリックすると拡大します)

Matrix ML-165 PRO 主な仕様
ユニット
16cm カーボンフリースサンドイッチコーン
周波数特性
40Hz〜4.0KHz
能率
88dB
インピーダンス

最大入力
170W
最低共振周波数
48Hz
バッフル開口寸法
143mm
フレーム外径寸法
167mm
推奨エンクロージャー容積
シールド 13ℓ(再生下限周波数 71Hz)
埋込寸法
64mm
接続端子
10ゲージ対応
重量
1.34 Kg / 1 pc

Matrix MR-6 ML-165 PRO用サポートリングキット
matrix_mr6.jpg
サポートリングの詳細はこちら


Matrix MR-3 ML-3用サポートリングキット 1ペア    希望小売価格 38,500円(税抜価格 35,000円)
matrix_mr3.jpg

クオリティーの高いインストールを行うために、Matrix-ML3用に専用設計された
切削ステンレス製サポートリングを、新たにオプションで設定しました。
フレームの背面側に設置すればマウントリングとして使用できます。
また、前面側に設置すればグリル用リングとして使用可能です。
どちらの使用方法でも取付部の剛性アップしますので、大幅なサウンドの向上が実現します。

Matrix MR-3 サポートリングキット 主な仕様
外形寸法
105mm
内径寸法
92.3mm
開口寸法
76.5mm
厚さ
7mm
取付ネジピッチ(対角)
86.0mm

MR-3 寸法図
matrix_3.1ring_size.jpg
(画面をクリックすると拡大します)

Matrix MR-6 ML-6D/ML-6P用サポートリングキット 1ペア    希望小売価格 71,500円(税抜価格 65,000円)

matrix_mr6.jpg

クオリティーの高いミッドバスのインストールを行うために、Matrix-ML6P/ML6D用に専用設計された
切削ステンレス製サポートリングをオプションで設定しています。
ミッドバスフレームの背面側に設置すればマウントリングとして使用できます。
またミッドバスフレームの前面側に設置すればグリル用リングとして使用可能です。
どちらの使用方法でも取付部の剛性アップしますので、大幅なサウンドの向上が実現します。

Matrix MR-6 サポートリングキット 主な仕様
外形寸法
181mm
内径寸法
167mm
開口寸法
144mm
厚さ
8mm
取付ネジピッチ(対角)
160mm

MR-6 寸法図
matrix_supportkit_size.gif
(画面をクリックすると拡大します)




弊社はドイツAUDIOTEC FISCHER社と契約した正規輸入元です
お問い合わせは弊社 e-mail:office@ms-line.co.jp まで


HELIX TOPへ戻る
BRAX TOPへ戻る
TOPへ戻る